日期:2024/12/3 分类: 地名标准规范查询
本页地址:https://www.dengta.org.cn/m/n748.html
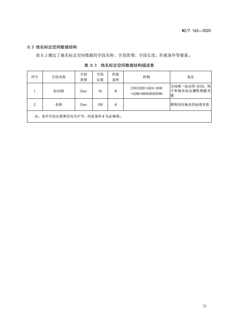
也许您对以下文章感兴趣: 强制性国家标准:GB 29432-2012 海底地名命名 强制性国家标准:GB 17733-2008 地名标志 推荐性国家标准 行业标准:MZT 204—2023 地名标志耐候性能试验方法 行业标准:MZ/T 172-2021 行政区域界线 详图 绘制 六安捐款 四川捐款 连云港捐款 肇庆捐款 南通捐款 攀枝花捐款